Wandler
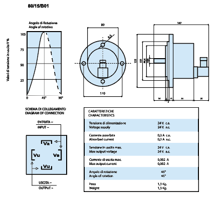
Der Positionsaufnehmer vom Typ 80/15/B01 kann überall dort eingesetzt werden, wo die Notwendigkeit besteht, eine mechanische Winkelbewegung von 45° (Drehung der Wandlerwelle) in ein elektrisches Signal in Gleichstrom 0-24 V-AC umzuwandeln.
Das völlige Fehlen gleitender Teile wie Bürsten oder Drähte am Rotor macht diese Geräte völlig wartungsfrei.
Der sehr kleine Wandler 80/15/B01 wurde mit einem speziellen Flansch hergestellt, der eine einfache Montage ermöglicht.
Die Konstruktion des Geräts und die Klemmleiste mit Kabelverschraubung schützen den Wandler vor dem Eindringen von Staub oder Fremdstoffen, Schutzart IP 44, Schutzart IP 55 auf Anfrage.
Der Positionswandler vom Typ 80/15/B01C kann überall dort eingesetzt werden, wo die Notwendigkeit besteht, eine mechanische Winkelbewegung von 45° (Drehung der Wandlerwelle) in ein elektrisches Signal in Gleichstrom 0-24 V-DC umzuwandeln.
Das völlige Fehlen gleitender Teile wie Bürsten oder Drähte am Rotor macht diese Geräte völlig wartungsfrei.
Der sehr kleine Wandler 80/15/B01C wurde mit einem speziellen Flansch hergestellt, der eine einfache Montage ermöglicht.
Die Konstruktion des Geräts und die Klemmleiste mit Kabelverschraubung schützen den Wandler vor dem Eindringen von Staub oder Fremdstoffen, Schutzart IP44, Schutzart IP 55 auf Anfrage.
Mit Hilfe der im Inneren der Struktur untergebrachten Elektronikkarte ist es möglich, das 0-24 V-DC-Gleichstrom-Ausgangssignal zu erhalten.
Er verfügt über die gleiche mechanische Struktur wie der 80/15/B01-Wandler und bietet die gleichen Vorteile wie absolute Kompaktheit, keinen Gleitkontakt und wasserdichte Konstruktion.
Er unterscheidet sich vom Typ 80/15/B01 durch seine elektrischen und mechanischen Eigenschaften, eine DC-Stromversorgung (Gleichstrom) mit geringer Welligkeit, die so konzipiert ist, dass Linearitätsstörungen des Ausgangssignals von 2 % über die gesamte 90°-Ausführung eliminiert werden.
Bei der Bestellung der Spannungserhöhung ist es notwendig zu wissen, ob im Uhrzeigersinn oder gegen den Uhrzeigersinn.
Auf Anfrage können Wandler mit einem anderen Drehwinkel als 90° und mit einem oder zwei elektrischen Endschaltern für Spannungen von 110 V und maximale Ströme hergestellt werden. 1A für ohmsche Lasten. Das so genannte Referenzsignal ist nichts anderes als ein positiver Spannungswert (+), der in Gleichstrom mit geringer Welligkeit an den Pin (+E) angelegt wird und das maximale Ausgangssignal modifiziert, indem er es über den gesamten 90°-Winkel davon subtrahiert.
Er verfügt über die gleiche mechanische Struktur wie der 80/15/B01-Wandler und bietet die gleichen Vorteile wie absolute Kompaktheit, keinen Gleitkontakt und wasserdichte Konstruktion.
Er unterscheidet sich vom Typ 80/15/B01 durch seine elektrischen und mechanischen Eigenschaften, eine DC-Stromversorgung (Gleichstrom) mit geringem Welligkeitsgehalt, die darauf ausgelegt ist, Linearitätsstörungen des Ausgangssignals von 2 % über die gesamte 80°-Ausführung zu eliminieren.
Bei der Bestellung der Spannungserhöhung ist es notwendig zu wissen, ob im Uhrzeigersinn oder gegen den Uhrzeigersinn. Der Wandler 80/EA/021 ist mit einem elektrischen Endschalter für Spannungen von 110 V und maximale Ströme ausgestattet. 1A für ohmsche Lasten.
Das so genannte Referenzsignal ist nichts anderes als ein positiver Spannungswert (+), der in Gleichstrom mit geringer Welligkeit an den Pin (+E) angelegt wird und das maximale Ausgangssignal modifiziert, indem er es über den gesamten 80°-Winkel davon subtrahiert.
Technische Spezifikationen
| Type | Transducers 80/15/B01 AC-AC | Transducers 80/15/B01C AC-DC | Transducers 80/EA/02 DC | Transducers 80/EA/021 DC |
|---|---|---|---|---|
| Model | 80/15/B01 | 80/15/B01C | 80/EA/02 | 80/EA/021 |
| Supply voltage | 24 VAC | 24 AC | 12 V DC2 | 12 V DC |
| Current absorbed | 0.3 A | 0.3 | 0.03 A | 0.03 A |
| Max. output voltage | 24 VAC | 24 VDC | 10 V DC | 10 V DC |
| Max. output current | 0.002 A | 0.002 A | 0.02 | 0.02 A |
| Rotation angle | 45° | 45° | 90° | 80° |
| Weight | 1.3 Kg | 1.3 Kg | 0.7 Kg | 0.7 Kg |