Transducers
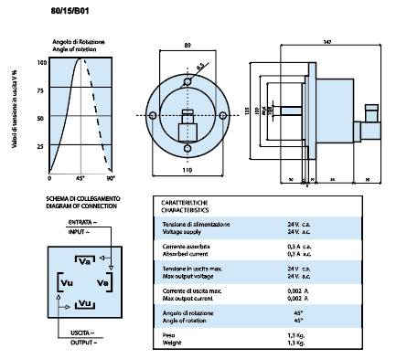
The 80/15/B01 type position transducer can be used in any application where there is a need to transform a mechanical angular movement of 45° (rotation of the transducer shaft), into an electrical signal in direct current 0-24 V-AC.
The absolute absence of sliding parts, such as brushes or wires, applied to the rotor, make these devices completely free from any type of maintenance.
The 80/15/B01 transducer of very small dimensions, has been made with a special flange that allows easy assembly.
The construction of the device and the terminal block with cable gland, protect the transducer from any infiltration of dust or external materials, IP 44 protection, on request IP 55 protection.
The 80/15/B01C type position transducer can be used in any application where there is a need to transform a 45° mechanical angular movement (rotation of the transducer shaft) into a 0-24 V-DC direct current electrical signal.
The absolute absence of sliding parts, such as brushes or wires, applied to the rotor, make these devices completely free from any type of maintenance.
The 80/15/B01C transducer of very small dimensions, has been made with a special flange that allows easy assembly.
The construction of the device and the terminal block with cable gland, protect the transducer from any infiltration of dust or external materials, IP44 protection, on request IP 55 protection.
With the help of the electronic board housed inside the structure, it is possible to obtain the 0-24 V-DC direct current output signal.
Made with the same mechanical structure as the 80/15/B01 transducer, it has the same advantages of absolute compactness, no sliding contact and watertight construction.
It differs from the 80/15/B01 type for its electrical and mechanical characteristics, DC (direct current) power supply with low ripple content, designed to eliminate linearity disturbances of the output signal equal to 2% over the entire 90° execution.
It is necessary to know the voltage increase when ordering, whether clockwise or anticlockwise.
Upon request, transducers can be made with rotation angles other than 90° and equipped with one or two electrical limit switches, for voltages of 110V and max. currents of 1A for resistive loads.
The reference signal thus called is nothing more than a positive voltage value (+), applied to the pin (+E) in DC with low ripple, which modifies the maximum output signal by subtracting it from the same for the entire 90° angle.
Made with the same mechanical structure as the 80/15/B01 transducer, it has the same advantages of absolute compactness, no sliding contact and watertight construction.
It differs from the 80/15/B01 type for its electrical and mechanical characteristics, DC (direct current) power supply with low ripple content, designed to eliminate linearity disturbances of the output signal equal to 2% over the entire 80° execution.
It is necessary to know the voltage increase, whether clockwise or anticlockwise, when ordering. The 80/EA/021 transducer is equipped with an electrical limit switch, for voltages of 110V and max. currents of 1A for resistive loads.
The reference signal so called, is nothing more than a positive voltage value (+), applied to the pin (+E) in DC with low ripple, which modifies the maximum output signal by subtracting it from the same for the entire 80° angle.
Technical specifications
| Type | Transducers 80/15/B01 AC-AC | Transducers 80/15/B01C AC-DC | Transducers 80/EA/02 DC | Transducers 80/EA/021 DC |
|---|---|---|---|---|
| Model | 80/15/B01 | 80/15/B01C | 80/EA/02 | 80/EA/021 |
| Supply voltage | 24 VAC | 24 AC | 12 V DC2 | 12 V DC |
| Current absorbed | 0.3 A | 0.3 | 0.03 A | 0.03 A |
| Max. output voltage | 24 VAC | 24 VDC | 10 V DC | 10 V DC |
| Max. output current | 0.002 A | 0.002 A | 0.02 | 0.02 A |
| Rotation angle | 45° | 45° | 90° | 80° |
| Weight | 1.3 Kg | 1.3 Kg | 0.7 Kg | 0.7 Kg |