Trasduttori
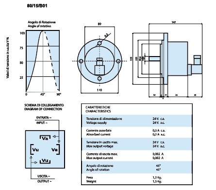
ICM – Trasduttore 80/15/B01 AC-AC
Il trasduttore di posizione tipo 80/15/B01 puo essere utilizzato in qualsiasi applicazione ove sia sentita la necessità di trasformare un movimento angolare meccanico di 45° (rotazione dell’albero del trasduttore), in un segnale elettrico in corrente continua 0-24 V-AC.
L’assoluta assenza di parti striscianti, come spazzole o fili, applicati al rotore, rendono questi apparecchi completamente assenti da qualsiasi tipo di manutenzione.
Il trasduttore 80/15/B01 di dimensioni molto contenute, è stato realizzato con una speciale flangia che permette un facile montaggio.
La costruzione dell’apparecchio e la morsettiera con pressacavo, preservano il trasduttore da qualsiasi infiltrazione di polvere o materiali esterni, protezione IP 44, su richiesta protezione IP 55.
Il trasduttore di posizione tipo 80/15/B01C può essere utilizzato in qualsiasi applicazione ove sia sentita la necessità di trasformare un movimento angolare meccanico 45°(rotazione dell’albero del trasduttore), in un segnale elettrico in corrente continua 0-24 V-DC.
L’assoluta assenza di parti striscianti, come spazzole o fili, applicati al rotore, rendono questi apparecchi completamente assenti da qualsiasi tipo di manutenzione.
Il trasduttore 80/15/B01C di dimensioni molto contenute, è stato realizzato con una speciale flangia che permette un facile montaggio.
La costruzione dell’apparecchio e la morsettiera con pressacavo, preservano il trasduttore da qualsiasi infiltrazione di polvere o materiali esterni, protezione IP44, su richiesta protezione IP 55.
Con l’ausilio della scheda elettronica alloggiata nell’interno della struttura, è possibile ottenere il segnale di uscita in corrente continua 0-24 V-DC.
ICM – Trasduttore 80/EA/02 DC
Realizzato con la stessa struttura meccanica del trasduttore 80/15/B01 presenta i medesimi pregi di assoluta compattezza, nessun contatto strisciante e costruzione stagna.
Si differenzia dal tipo 80/15/B01 per le caratteristiche elettriche e meccaniche, alimentazione in DC (corrente continua) a basso contenuto di ripple, atta ad eliminare i disturbi di linearità del segnale in uscita pari al 2% su tutta l’esecuzione dei 90°.
E’ necessario conoscere in fase di ordinazione l’incremento di tensione, se orario o antiorario.
Su richiesta si possono realizzare trasduttori con angolo di rotazione diversi dai 90° e muniti di uno o due fine corsa elettrici, per tensioni di 110V e correnti max. da 1A per carichi resistivi. Il segnale di riferimento così denominato, non è altro che un valore di tensione (+) positivo, applicato al piedino (+E) in DC a basse ripple, il quale modifica il segnale in uscita massimo sottraendolo allo stesso per tutto l’angolo dei 90°.
Realizzato con la stessa struttura meccanica del trasduttore 80/15/B01 presenta i medesimi pregi di assoluta compattezza, nessun contatto strisciante e costruzione stagna.
Si differenzia dal tipo 80/15/B01 per le caratteristiche elettriche e meccaniche, alimentazione in DC (corrente continua) a basso contenuto di ripple, atta ad eliminare i disturbi di linearità del segnale in uscita pari al 2% su tutta l’esecuzione dei 80°.
E’ necessario conoscere in fase di ordinazione l’incremento di tensione, se orario o antiorario. Il trasduttore 80/EA/021 è munito di un fine corsa elettrico, per tensioni di 110V e correnti max. da 1A per carichi resistivi. Il segnale di riferimento così denominato, non è altro che un valore di tensione (+) positivo, applicato al piedino (+E) in DC a basse ripple, il quale modifica il segnale in uscita massimo sottraendolo allo stesso per tutto l’angolo dei 80°.
Specifiche tecniche
| TIPO | TRASDUTTORE 80/15/B01 AC-AC |
TRASDUTTORE 80/15/B01C AC-DC |
TRASDUTTORE 80/EA/02 DC |
TRASDUTTORE 80/EA/021 DC |
|---|---|---|---|---|
| Modello | 80/15/B01 | 80/15/B01C | 80/EA/02 | 80/EA/021 |
| Tensione di alimentazione | 24 VAC | 24 AC | 12 V DC2 | 12 V DC |
| Corrente assorbita | 0.3 A | 0.3 | 0.03 A | 0.03 A |
| Tensione di uscita max. | 24 VAC | 24 VDC | 10 V DC | 10 V DC |
| Corrente di uscita max. | 0.002 A | 0.002 A | 0.02 | 0.02 A |
| Angolo di rotazione | 45° | 45° | 90° | 80° |
| Peso | 1.3 Kg | 1.3 Kg | 0.7 Kg | 0.7 Kg |