Transducteurs
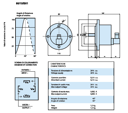
Le capteur de position de type 80/15/B01 peut être utilisé dans toute application où se fait sentir le besoin de transformer un mouvement angulaire mécanique de 45° (rotation de l’arbre du capteur) en un signal électrique en courant continu 0-24 V-AC.
L’absence absolue de pièces coulissantes, telles que des balais ou des fils, appliquées au rotor, rendent ces dispositifs totalement exempts de tout type d’entretien.
Le transducteur 80/15/B01 de très petites dimensions a été réalisé avec une bride spéciale qui permet un montage facile.
La construction de l’appareil et le bornier avec presse-étoupe protègent le transducteur de toute infiltration de poussière ou de matériaux extérieurs, protection IP 44, protection IP 55 sur demande.
Le capteur de position de type 80/15/B01C peut être utilisé dans toute application où se fait sentir le besoin de transformer un mouvement angulaire mécanique de 45° (rotation de l’arbre du capteur) en un signal électrique en courant continu 0-24 V-DC.
L’absence absolue de pièces coulissantes, telles que des balais ou des fils, appliquées au rotor, rendent ces dispositifs totalement exempts de tout type d’entretien.
Le transducteur 80/15/B01C de très petites dimensions a été réalisé avec une bride spéciale qui permet un montage facile.
La construction de l’appareil et le bornier avec presse-étoupe protègent le transducteur de toute infiltration de poussière ou de matériaux extérieurs, protection IP44, protection IP 55 sur demande.
A l’aide de la carte électronique logée à l’intérieur de la structure, il est possible d’obtenir le signal de sortie en courant continu 0-24 V-DC.
Fabriqué avec la même structure mécanique que le transducteur 80/15/B01, il présente les mêmes avantages de compacité absolue, d’absence de contact glissant et de construction étanche.
Il se distingue du type 80/15/B01 par ses caractéristiques électriques et mécaniques, alimentation DC (courant continu) à faible ondulation, conçue pour éliminer les perturbations de linéarité du signal de sortie égales à 2% sur toute l’exécution à 90°.
Il est nécessaire de savoir lors de la commande d’augmentation de tension, si elle est dans le sens des aiguilles d’une montre ou dans le sens contraire des aiguilles d’une montre.
Sur demande, des transducteurs peuvent être créés avec un angle de rotation autre que 90° et équipés d’un ou deux fins de course électriques, pour des tensions de 110V et des courants max. 1A pour les charges résistives. Le signal de référence ainsi appelé n’est rien d’autre qu’une valeur de tension positive (+), appliquée à la broche (+E) en courant continu à faible ondulation, qui modifie le signal de sortie maximum en le lui soustrayant pour tout l’angle de 90°.
Fabriqué avec la même structure mécanique que le transducteur 80/15/B01, il présente les mêmes avantages de compacité absolue, d’absence de contact glissant et de construction étanche.
Il se distingue du type 80/15/B01 par ses caractéristiques électriques et mécaniques, alimentation DC (courant continu) à faible ondulation, conçue pour éliminer les perturbations de linéarité du signal de sortie égales à 2% sur toute l’exécution à 80°.
Il est nécessaire de savoir lors de la commande d’augmentation de tension, si elle est dans le sens des aiguilles d’une montre ou dans le sens contraire des aiguilles d’une montre.
Le transducteur 80/EA/021 est équipé d’un fin de course électrique, pour des tensions de 110V et des courants max. 1A pour les charges résistives.
Le signal de référence ainsi appelé n’est rien d’autre qu’une valeur de tension positive (+), appliquée à la broche (+E) en courant continu à faible ondulation, qui modifie le signal de sortie maximum en le lui soustrayant pour tout l’angle de 80°.
Spécifications techniques
| Type | Transducteurs 80/15/B01 AC-AC |
Transducteurs 80/15/B01C AC-DC |
Transducteurs 80/EA/02 DC |
Transducteurs 80/EA/021 DC |
|---|---|---|---|---|
| Modèle | 80/15/B01 | 80/15/B01C | 80/EA/02 | 80/EA/021 |
| Tension d’alimentation | 24 VAC | 24 AC | 12 V DC2 | 12 V DC |
| Courant absorbé | 0.3 A | 0.3 | 0.03 A | 0.03 A |
| Tension de sortie maximale | 24 VAC | 24 VDC | 10 V DC | 10 V DC |
| Courant de sortie maximum | 0.002 A | 0.002 A | 0.02 | 0.02 A |
| Angle de rotation | 45° | 45° | 90° | 80° |
| Poids | 1.3 Kg | 1.3 Kg | 0.7 Kg | 0.7 Kg |